+86-0523-83274900
Storz Locking gevindskobling
Hjem / Produkt / Standardkoblinger / Bestemte koblinger / Storz låsekoblinger / Storz Locking gevindskobling

Storz Locking gevindskobling

Storz -låsetrykkekoblingen hører til Storz -koblingsserien, med den ene ende med en intern eller ekstern tråd Og den anden ende har en Storz -låsekobling.
Denne kobling er vant til Tilslut brandslanger og brandbekæmpelsesudstyr (såsom brandpumper, brandslanger og brandbrændere).
Denne serie er primært tilgængelig i store størrelser, mens mindre størrelser kan tilpasses efter anmodning.

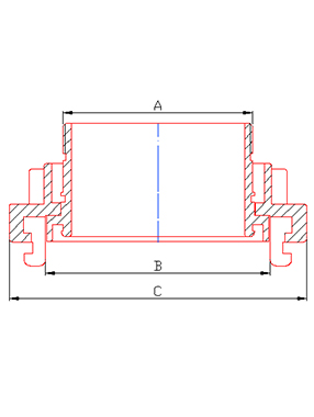
Dimensioner Ressourcer

Varenr.

DIN/mm

Dia

A/mm

B/mm

C/mm

/

100

4 "

M100*3

115

156

125

5 "

M125*3

148

196

150

6 "

M145*3

160

215

200

8 "

M200*4

220

280

250

10 "

M255*4

278

339

300 (3Teeth)

12 "

M290*4

316

384

350

14 "

M350*4

336

448

* Materialer og fremstillingsprocesser kan tilpasses efter anmodning.
* Andre krav (såsom arbejdstryk, burst -pres osv.) Kan også tilpasses efter behov.

Jiangsu Jinding Fire Protection Technology Co., Ltd.
Jiangsu Jinding Fire Protection Technology Co., Ltd., beliggende i Jiang Su Xinghua Economic Development Zone, blev grundlagt i 1998. Det er et industrielt firma, der integrerer design, udvikling, produktion og salg. Virksomheden har bestået ISO9001: 2015 kvalitetssystemcertificering og -produkt frivillig certificering, og de relaterede produkter har opnået inspektionsrapporten fra National Fire Equipment Kvalitet Supervision and Inspection Center.
Vi fremstiller hovedsageligt adskillige produktserier, herunder brandbekæmpelseskoblinger, vanddyser, brandhaner, rørkoblinger med stor diameter og vandforsyningskoblinger til oliefelter. Disse produkter anvendes i vid udstrækning inden for brandbeskyttelse, olieindustrien, den kemiske industri, militærindustrien og andre industrier.
Virksomheden har god uafhængig F & U -kapacitet og har et komplet sæt produktionsprocesser såsom formproduktion, produktionsbehandling og produkttest. På samme tid lægger virksomheden betydning for kundernes krav, der rettidigt griber fat i markedsdynamikken, udvikler og producerer kontinuerligt nye produkter og vinder tilliden og ros for nye og gamle kunder.
Virksomheden leverer pålidelig Storz Locking gevindskobling og professionelle tjenester baseret på kvalitetsengagement og samarbejdspartnerskaber, der stræber efter at opbygge bæredygtige samarbejdsrelationer med kunder.
27+

27 års industri Fremstillingsoplevelse

Certifikater
Nyheder
Lad os have en samtale
Bare sig hej, så starter vi et frugtbart samarbejde. Start din egen succeshistorie.
Brug for udstyr til din virksomhed?
Lad vores team give dig brugerdefinerede løsninger.