+86-0523-83274900
John Morris Fire Slangekobling

John Morris Fire Slangekobling

John Morris Fire Slangekobling kan klassificeres i 2 typer baseret på Formen af halerøret:
1. Serrated Tail Ends Type: Når den er tilsluttet til slangen, placeres slangen over den ydre side af halerøret og tilsluttes ved hjælp af en Aluminiums ringkomprimeringsmetode.
2. ribben haleender type: Når slangen er tilsluttet, placeres slangen over den ydre side af halerøret og tilsluttet ved hjælp af en trådbindingsmetode.

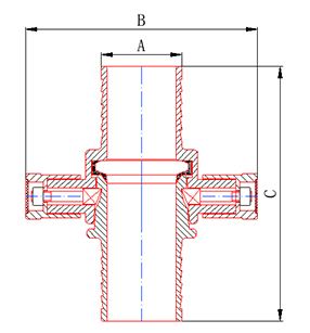
Dimensioner Ressourcer

Varenr.

DIN/mm

Dia

A/mm

B/mm

C/mm

Dn

40

1.5 "

38

136

153

65/40

2.5 "/1.5"

38

182

201

65/45

2.5 "/1,75"

44

182

201

65/50

2,5 "/2"

51

182

201

65

2.5 "

63.5

180

200

150

6 "

152

297

351

* Materialer og fremstillingsprocesser kan tilpasses efter anmodning.
* Andre krav (såsom arbejdstryk, burst -pres osv.) Kan også tilpasses efter behov.

Jiangsu Jinding Fire Protection Technology Co., Ltd.
Jiangsu Jinding Fire Protection Technology Co., Ltd., beliggende i Jiang Su Xinghua Economic Development Zone, blev grundlagt i 1998. Det er et industrielt firma, der integrerer design, udvikling, produktion og salg. Virksomheden har bestået ISO9001: 2015 kvalitetssystemcertificering og -produkt frivillig certificering, og de relaterede produkter har opnået inspektionsrapporten fra National Fire Equipment Kvalitet Supervision and Inspection Center.
Vi fremstiller hovedsageligt adskillige produktserier, herunder brandbekæmpelseskoblinger, vanddyser, brandhaner, rørkoblinger med stor diameter og vandforsyningskoblinger til oliefelter. Disse produkter anvendes i vid udstrækning inden for brandbeskyttelse, olieindustrien, den kemiske industri, militærindustrien og andre industrier.
Virksomheden har god uafhængig F & U -kapacitet og har et komplet sæt produktionsprocesser såsom formproduktion, produktionsbehandling og produkttest. På samme tid lægger virksomheden betydning for kundernes krav, der rettidigt griber fat i markedsdynamikken, udvikler og producerer kontinuerligt nye produkter og vinder tilliden og ros for nye og gamle kunder.
Virksomheden leverer pålidelig John Morris Fire Slangekobling og professionelle tjenester baseret på kvalitetsengagement og samarbejdspartnerskaber, der stræber efter at opbygge bæredygtige samarbejdsrelationer med kunder.
27+

27 års industri Fremstillingsoplevelse

Certifikater
Nyheder
Lad os have en samtale
Bare sig hej, så starter vi et frugtbart samarbejde. Start din egen succeshistorie.
Brug for udstyr til din virksomhed?
Lad vores team give dig brugerdefinerede løsninger.