+86-0523-83274900
Storz Adapter -koblinger - Mandlig machino
Hjem / Produkt / Adaptere / Storz Adapter -koblinger - Mandlig machino

Storz Adapter -koblinger - Mandlig machino

Adapterkoblinger bruges til at forbinde eller konvertere mellem forskellige standarder og typer fittings. De tillader, at ellers uforenelige grænseflader er tilsluttet hinanden problemfrit.

Adapterkoblinger inkluderer, men er ikke begrænset til: Tysk til Storz (mand/kvinde), tysk til skovbrug, tysk til tysk selvlåsning, tysk til flange, tysk til flertand, Storz mandlig til Storz kvindelig, Storz til skovbrug osv.
Alle typer adapterkoblinger kan tilpasses efter anmodning.

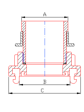
Dimensioner Ressourcer

Varenr.

DIN/mm

Dia

A/mm

B/mm

C/mm

/

25/40

1 "/1.5"

29

53

82

25/50

1 "/2"

29

66

98

25/65

1 "/2.5"

29

76

110

25/80

1 "/3"

29

89

126

40/40

1.5 "/1.5"

43.6

53

82

40/50

1,5 "/2"

43.6

66

98

40/65

1.5 "/2.5"

43.6

76

110

40/80

1,5 "/3"

43.6

89

126

50/50

2 "/2"

55.6

66

98

50/65

2 "/2.5"

55.6

76

110

50/80

2 "/3"

55.6

89

126

65/65

2.5 "/2.5"

68.5

76

110

65/80

2,5 "/3"

68.5

89

126

80/80

3 "/3"

81.5

89

126

* Materialer og fremstillingsprocesser kan tilpasses efter anmodning.
* Andre krav (såsom arbejdstryk, burst -pres osv.) Kan også tilpasses efter behov.

Jiangsu Jinding Fire Protection Technology Co., Ltd.
Jiangsu Jinding Fire Protection Technology Co., Ltd., beliggende i Jiang Su Xinghua Economic Development Zone, blev grundlagt i 1998. Det er et industrielt firma, der integrerer design, udvikling, produktion og salg. Virksomheden har bestået ISO9001: 2015 kvalitetssystemcertificering og -produkt frivillig certificering, og de relaterede produkter har opnået inspektionsrapporten fra National Fire Equipment Kvalitet Supervision and Inspection Center.
Vi fremstiller hovedsageligt adskillige produktserier, herunder brandbekæmpelseskoblinger, vanddyser, brandhaner, rørkoblinger med stor diameter og vandforsyningskoblinger til oliefelter. Disse produkter anvendes i vid udstrækning inden for brandbeskyttelse, olieindustrien, den kemiske industri, militærindustrien og andre industrier.
Virksomheden har god uafhængig F & U -kapacitet og har et komplet sæt produktionsprocesser såsom formproduktion, produktionsbehandling og produkttest. På samme tid lægger virksomheden betydning for kundernes krav, der rettidigt griber fat i markedsdynamikken, udvikler og producerer kontinuerligt nye produkter og vinder tilliden og ros for nye og gamle kunder.
Virksomheden leverer pålidelig Storz Adapter -koblinger - Mandlig machino og professionelle tjenester baseret på kvalitetsengagement og samarbejdspartnerskaber, der stræber efter at opbygge bæredygtige samarbejdsrelationer med kunder.
27+

27 års industri Fremstillingsoplevelse

Certifikater
Nyheder
Lad os have en samtale
Bare sig hej, så starter vi et frugtbart samarbejde. Start din egen succeshistorie.
Brug for udstyr til din virksomhed?
Lad vores team give dig brugerdefinerede løsninger.